
ಯಾನ STM8S103F3P6 ಸ್ಟಿಮೈಕ್ರೊಎಲೆಕ್ಟ್ರೊನಿಕ್ಸ್ ತಯಾರಿಸಿದ 8-ಬಿಟ್ ಮೈಕ್ರೊಕಂಟ್ರೋಲರ್ ಆಗಿದೆ, ಇದು ಅದರ ಪ್ರಭಾವಶಾಲಿ ಕ್ರಿಯಾತ್ಮಕತೆ ಮತ್ತು ತಡೆರಹಿತ ಏಕೀಕರಣಕ್ಕೆ ಹೆಸರುವಾಸಿಯಾಗಿದೆ.ಈ ಕಾಂಪ್ಯಾಕ್ಟ್ ಸಾಧನವು ಮೇಲ್ಮೈ-ಆರೋಹಿತವಾದ ಸಾಧನ (ಎಸ್ಎಮ್ಡಿ) ಆರೋಹಿಸುವಾಗ ಶೈಲಿಯನ್ನು ಹೊಂದಿದೆ, ಇದು ಸುಧಾರಿತ ಕೋರ್ ಮತ್ತು ಪೆರಿಫೆರಲ್ಗಳನ್ನು ಸಾಕಾರಗೊಳಿಸುತ್ತದೆ, ಇವುಗಳನ್ನು ಅತ್ಯಾಧುನಿಕ ತಂತ್ರಜ್ಞಾನವನ್ನು ಬಳಸಿಕೊಂಡು ಸೂಕ್ಷ್ಮವಾಗಿ ತಯಾರಿಸಲಾಗುತ್ತದೆ.16 ಮೆಗಾಹರ್ಟ್ z ್ನ ಗಡಿಯಾರ ಆವರ್ತನದೊಂದಿಗೆ, ಎಸ್ಟಿಎಂ 8 ಎಸ್ 103 ಎಫ್ 3 ಪಿ 6 ದೃ is ವಾಗಿ ಐ/ಒ ಸಾಮರ್ಥ್ಯವನ್ನು ಹೊಂದಿದೆ, ಇದು ಪರಿಣಾಮಕಾರಿ ಡೇಟಾ ಸಂಸ್ಕರಣೆ ಮತ್ತು ನಿರ್ವಹಣೆಯನ್ನು ಖಾತ್ರಿಗೊಳಿಸುತ್ತದೆ.ಸ್ವತಂತ್ರ ಗಡಿಯಾರ ಮೂಲ ಮತ್ತು ಗಡಿಯಾರ ಭದ್ರತಾ ವ್ಯವಸ್ಥೆಯನ್ನು ಹೊಂದಿರುವ ಅದರ ಸ್ವತಂತ್ರ ವಾಚ್ಡಾಗ್ ಟೈಮರ್, ಸೂಕ್ತವಾದ ಸಾಧನದ ಕಾರ್ಯಕ್ಷಮತೆ ಮತ್ತು ಸಂಭಾವ್ಯ ಅಡೆತಡೆಗಳ ವಿರುದ್ಧ ಸ್ಥಿತಿಸ್ಥಾಪಕತ್ವವನ್ನು ಖಾತರಿಪಡಿಸುತ್ತದೆ.
ಅದರ ಎದ್ದುಕಾಣುವ ವೈಶಿಷ್ಟ್ಯಗಳಲ್ಲಿ ಒಂದು ಅದರ ಫ್ಲ್ಯಾಷ್ ಮೆಮೊರಿ, ಇದು ಕೋಡ್ ಮತ್ತು ಡೇಟಾಗೆ ಬಾಷ್ಪಶೀಲವಲ್ಲದ ಸಂಗ್ರಹಣೆಯನ್ನು ಒದಗಿಸುತ್ತದೆ.ಆಪರೇಟಿಂಗ್ ವೋಲ್ಟೇಜ್ ಶ್ರೇಣಿಯು 2.95 V ಯಿಂದ 5.5 V ವರೆಗೆ ವ್ಯಾಪಿಸಿದೆ, ಈ ಮೈಕ್ರೊಕಂಟ್ರೋಲರ್ ಹೆಚ್ಚು ಬಹುಮುಖ ಮತ್ತು ವಿವಿಧ ಅಪ್ಲಿಕೇಶನ್ಗಳಿಗೆ ಹೊಂದಿಕೊಳ್ಳುತ್ತದೆ.ಹೆಚ್ಚುವರಿಯಾಗಿ, ಇದು -40 ° C ನಿಂದ 85 ° C ಯ ವ್ಯಾಪಕವಾದ ಕಾರ್ಯಾಚರಣಾ ತಾಪಮಾನದ ವ್ಯಾಪ್ತಿಯನ್ನು ನೀಡುತ್ತದೆ, ಇದು ವೈವಿಧ್ಯಮಯ ಪರಿಸರ ಪರಿಸ್ಥಿತಿಗಳಲ್ಲಿ ನಿಯೋಜನೆಗೆ ಸೂಕ್ತವಾಗಿದೆ.
• MSP430G2353
• PIC16LF18444T
• STM8S103F3P3


ಕಡಿಮೆ ವಿದ್ಯುತ್ ಬಳಕೆ: ಇದು ಐಡಲ್ ಮೋಡ್, ಸ್ಲೀಪ್ ಮೋಡ್, ಡೀಪ್ ಸ್ಲೀಪ್ ಮೋಡ್ ಮತ್ತು ಆಫ್ ಮೋಡ್ ಸೇರಿದಂತೆ ವಿವಿಧ ಕಡಿಮೆ ವಿದ್ಯುತ್ ಬಳಕೆ ವಿಧಾನಗಳನ್ನು ಹೊಂದಿದೆ, ಇದು ಬ್ಯಾಟರಿ ಅವಧಿಯನ್ನು ಪರಿಣಾಮಕಾರಿಯಾಗಿ ವಿಸ್ತರಿಸುತ್ತದೆ ಮತ್ತು ಶಕ್ತಿಯನ್ನು ಉಳಿಸುತ್ತದೆ.
ಹೆಚ್ಚಿನ ಕಾರ್ಯಕ್ಷಮತೆ: ಇದು ಉನ್ನತ-ಕಾರ್ಯಕ್ಷಮತೆಯ ಎಸ್ಟಿಎಂ 8 ಕೋರ್ ಆರ್ಕಿಟೆಕ್ಚರ್ ಅನ್ನು ಅಳವಡಿಸಿಕೊಳ್ಳುತ್ತದೆ, ಇದು ಆಪರೇಟಿಂಗ್ ಆವರ್ತನವು 16 ಮೆಗಾಹರ್ಟ್ z ್ನಷ್ಟು ಹೆಚ್ಚಾಗಲು ಅನುವು ಮಾಡಿಕೊಡುತ್ತದೆ, ಇದು ಸೂಚನಾ ಮರಣದಂಡನೆ ವೇಗವನ್ನು ಹೆಚ್ಚು ಸುಧಾರಿಸುತ್ತದೆ ಮತ್ತು ನಮ್ಮ ಅಪ್ಲಿಕೇಶನ್ಗಳಿಗೆ ಹೆಚ್ಚು ಪರಿಣಾಮಕಾರಿ ಕಂಪ್ಯೂಟಿಂಗ್ ಸಾಮರ್ಥ್ಯಗಳನ್ನು ಒದಗಿಸುತ್ತದೆ.
ಬಹು ಸಂವಹನ ಇಂಟರ್ಫೇಸ್ಗಳು: ಇದು ಎಸ್ಪಿಐ (ಸೀರಿಯಲ್ ಪೆರಿಫೆರಲ್ ಇಂಟರ್ಫೇಸ್), ಐ 2 ಸಿ ಮತ್ತು ಯುಎಆರ್ಟಿ ಸೇರಿದಂತೆ ವಿವಿಧ ಸಂವಹನ ಇಂಟರ್ಫೇಸ್ಗಳನ್ನು ಬೆಂಬಲಿಸುತ್ತದೆ.ಈ ಇಂಟರ್ಫೇಸ್ಗಳ ಮೂಲಕ, ಹೆಚ್ಚಿನ ಕಾರ್ಯಗಳು ಮತ್ತು ಅಪ್ಲಿಕೇಶನ್ಗಳನ್ನು ಸಾಧಿಸಲು ಇದು ಬಾಹ್ಯ ಸಾಧನಗಳೊಂದಿಗೆ ಸುಲಭವಾಗಿ ಸಂವಹನ ಮಾಡಬಹುದು ಮತ್ತು ಸಂವಹನ ಮಾಡಬಹುದು.
ಹೇರಳವಾಗಿರುವ ಪೆರಿಫೆರಲ್ಸ್: ಎಸ್ಟಿಎಂ 8 ಎಸ್ 103 ಎಫ್ 3 ಪಿ 6 ಮೈಕ್ರೊಕಂಟ್ರೋಲರ್ ಹೇರಳವಾದ ಬಾಹ್ಯ ಸಂಪನ್ಮೂಲಗಳನ್ನು ಹೊಂದಿದೆ, ಇದರಲ್ಲಿ 16 ಕೆಬಿ ಫ್ಲ್ಯಾಷ್ ಮೆಮೊರಿ ಮತ್ತು 1 ಕೆಬಿ RAM ಮೆಮೊರಿ, ಜೊತೆಗೆ ಸಾಮಾನ್ಯವಾಗಿ ಬಳಸುವ ಇಂಟರ್ಫೇಸ್ಗಳಾದ ಜಿಪಿಐಒ ಪಿನ್ಗಳು, ಟೈಮರ್ಗಳು ಮತ್ತು ಯುಎಆರ್ಟಿ.ಈ ಪೆರಿಫೆರಲ್ಗಳ ವೈವಿಧ್ಯತೆಯು ಸಾಧನವನ್ನು ವಿವಿಧ ಅಪ್ಲಿಕೇಶನ್ ಸನ್ನಿವೇಶಗಳಿಗೆ ಸೂಕ್ತವಾಗಿಸುತ್ತದೆ ಮತ್ತು ವಿವಿಧ ಕ್ಷೇತ್ರಗಳು ಮತ್ತು ಕೈಗಾರಿಕೆಗಳ ಅಗತ್ಯಗಳನ್ನು ಪೂರೈಸುತ್ತದೆ.ಇದು ಕೈಗಾರಿಕಾ ನಿಯಂತ್ರಣ, ಸ್ಮಾರ್ಟ್ ಮನೆ, ಅಥವಾ ಎಂಬೆಡೆಡ್ ವ್ಯವಸ್ಥೆಗಳಾಗಿರಲಿ, STM8S103F3P6 ಬೆಂಬಲವನ್ನು ನೀಡುತ್ತದೆ.

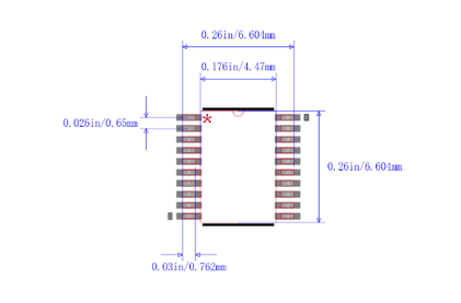
STM8S103F3P6 ಅನ್ನು ತೆಳುವಾದ ಕುಗ್ಗಿಸುವ ಸಣ್ಣ line ಟ್ಲೈನ್ ಪ್ಯಾಕೇಜ್ನಲ್ಲಿ (TSSOP) ಪ್ಯಾಕ್ ಮಾಡಲಾಗಿದೆ ಮತ್ತು 20 ಪಿನ್ಗಳನ್ನು ಹೊಂದಿದೆ.ದೇಹ ಮತ್ತು ಸೀಸದ ಅಂತರವು ಸ್ಟ್ಯಾಂಡರ್ಡ್ ಎಸ್ಒಐಸಿ ಪ್ಯಾಕೇಜ್ಗಳಿಗಿಂತ ಚಿಕ್ಕದಾಗಿದೆ.ಟಿಎಸ್ಎಸ್ಒಪಿಯ ಒಂದು ವಿಶಿಷ್ಟ ಲಕ್ಷಣವೆಂದರೆ ಪ್ಯಾಕೇಜ್ ಮಾಡಲಾದ ಚಿಪ್ ಸುತ್ತಲೂ ಪಿನ್ಗಳ ರಚನೆ, ಇದು ಎಸ್ಎಂಟಿ ತಂತ್ರಜ್ಞಾನವನ್ನು ಬಳಸಿಕೊಂಡು ಪಿಸಿಬಿಗಳಲ್ಲಿ ವೈರಿಂಗ್ ಅನ್ನು ಆರೋಹಿಸಲು ಸೂಕ್ತವಾಗಿದೆ.ಟಿಎಸ್ಎಸ್ಒಪಿ ಪ್ಯಾಕೇಜ್ ಬಳಸುವಾಗ, ಪರಾವಲಂಬಿ ನಿಯತಾಂಕಗಳು (ಪ್ರವಾಹದಲ್ಲಿ ದೊಡ್ಡ ಬದಲಾವಣೆಗಳಿಂದ ಉಂಟಾಗುವ voltage ಟ್ಪುಟ್ ವೋಲ್ಟೇಜ್ ಅಡಚಣೆ) ಚಿಕ್ಕದಾಗಿದೆ, ಆದ್ದರಿಂದ ಇದು ಹೆಚ್ಚಿನ ಆವರ್ತನ ಅನ್ವಯಿಕೆಗಳಿಗೆ ಸೂಕ್ತವಾಗಿದೆ.ಈ ರೀತಿಯ ಪ್ಯಾಕೇಜ್ ಕಾರ್ಯನಿರ್ವಹಿಸಲು ಹೆಚ್ಚು ಅನುಕೂಲಕರವಾಗಿದೆ ಮತ್ತು ಹೆಚ್ಚಿನ ವಿಶ್ವಾಸಾರ್ಹತೆಯನ್ನು ಹೊಂದಿದೆ.
TSSOP ಪ್ಯಾಕೇಜ್ ಈ ಕೆಳಗಿನ ವೈಶಿಷ್ಟ್ಯಗಳನ್ನು ಹೊಂದಿದೆ:
• ಸಣ್ಣ ಪಿನ್ ಅಂತರ: ಪಿನ್ ಅಂತರವು ಸಾಮಾನ್ಯವಾಗಿ 0.5 ಮಿಮೀ ಅಥವಾ 0.65 ಮಿಮೀ.ಸರ್ಕ್ಯೂಟ್ ಬೋರ್ಡ್ ತಾಮ್ರದ ಬಾರ್ಗಳ ವಿನ್ಯಾಸದ ಮೂಲಕ, ಹೆಚ್ಚಿನ ಸಾಧನಗಳನ್ನು ಒಂದೇ ಪ್ರದೇಶ ಮತ್ತು ಗಾತ್ರದೊಂದಿಗೆ ಸರ್ಕ್ಯೂಟ್ ಬೋರ್ಡ್ನಲ್ಲಿ ಇರಿಸಬಹುದು.
Application ಅಪ್ಲಿಕೇಶನ್ನ ವ್ಯಾಪಕ ವ್ಯಾಪ್ತಿ: ಮೈಕ್ರೊಕಂಟ್ರೋಲರ್ಗಳು, ಡಿಎಸ್ಪಿಗಳು, ಮೆಮೊರಿ ಚಿಪ್ಗಳು ಮತ್ತು ವಿದ್ಯುತ್ ಸರಬರಾಜು ಚಿಪ್ಗಳಂತಹ ವಿವಿಧ ಅಪ್ಲಿಕೇಶನ್ ಕ್ಷೇತ್ರಗಳಿಗೆ ಇದನ್ನು ಅನ್ವಯಿಸಬಹುದು.
• ಹೈ ಪಿನ್ ಎಣಿಕೆ: ಪಿನ್ಗಳ ಸಂಖ್ಯೆ ಸಾಮಾನ್ಯವಾಗಿ 20 ರಿಂದ 64 ರಷ್ಟಿದೆ, ಇದು ಕೆಲವು ಚಿಪ್ ಏಕೀಕರಣದ ಅವಶ್ಯಕತೆಗಳನ್ನು ಪೂರೈಸುತ್ತದೆ.
• ಸಣ್ಣ ಪ್ಯಾಕೇಜ್ ಗಾತ್ರ: ಸಾಮಾನ್ಯ ಸಣ್ಣ line ಟ್ಲೈನ್ (ಎಸ್ಒ) ಪ್ಯಾಕೇಜ್ಗಳೊಂದಿಗೆ ಹೋಲಿಸಿದರೆ, ಅದರ ಪ್ಯಾಕೇಜ್ ಗಾತ್ರವು ಚಿಕ್ಕದಾಗಿದೆ, ದಪ್ಪವು ತೆಳ್ಳಗಿರುತ್ತದೆ ಮತ್ತು ಪರಿಮಾಣವು ಚಿಕ್ಕದಾಗಿದೆ, ಇದು ಹೆಚ್ಚಿನ ಸಾಂದ್ರತೆಯ ಸಂಯೋಜಿತ ಸರ್ಕ್ಯೂಟ್ಗಳ ಪ್ಯಾಕೇಜಿಂಗ್ಗೆ ಸೂಕ್ತವಾಗಿದೆ.
Performance ಹೆಚ್ಚಿನ ಕಾರ್ಯಕ್ಷಮತೆ: ಇದು ಮೇಲ್ಮೈ ಆರೋಹಣ ತಂತ್ರಜ್ಞಾನವನ್ನು ಅಳವಡಿಸಿಕೊಳ್ಳುತ್ತದೆ, ಉತ್ತಮ ವಾಹಕತೆ ಮತ್ತು ತುಕ್ಕು ನಿರೋಧಕತೆಯನ್ನು ಹೊಂದಿದೆ, ಮತ್ತು ಹೆಚ್ಚಿನ ವೇಗ, ಹೆಚ್ಚಿನ ಆವರ್ತನ, ಚಿಕಣಿೀಕರಣ ಮತ್ತು ಮುಂತಾದ ವಿಶೇಷ ಅವಶ್ಯಕತೆಗಳನ್ನು ಪೂರೈಸಬಹುದು.
ನಿರ್ದಿಷ್ಟಪಡಿಸದಿದ್ದಲ್ಲಿ, ಎಲ್ಲಾ ವೋಲ್ಟೇಜ್ಗಳನ್ನು VSS ಗೆ ಉಲ್ಲೇಖಿಸಲಾಗುತ್ತದೆ.
ಕನಿಷ್ಠ ಮತ್ತು ಗರಿಷ್ಠ ಮೌಲ್ಯಗಳನ್ನು ಅತ್ಯಂತ ಪ್ರತಿಕೂಲ ಪರಿಸ್ಥಿತಿಗಳಲ್ಲಿ ಖಾತರಿಪಡಿಸಲಾಗುತ್ತದೆ, ಸುತ್ತುವರಿದ ತಾಪಮಾನ, ಪೂರೈಕೆ ವೋಲ್ಟೇಜ್ ಮತ್ತು ಆವರ್ತನಗಳನ್ನು ಒಳಗೊಂಡಿದೆ.ಈ ಖಾತರಿಗಳನ್ನು 100% ಸಾಧನಗಳಲ್ಲಿ ನಡೆಸಿದ ಕಠಿಣ ಉತ್ಪಾದನಾ ಪರೀಕ್ಷೆಗಳ ಮೂಲಕ ಸ್ಥಾಪಿಸಲಾಗಿದೆ, ಇದನ್ನು ಟಿಎ = 25 ° ಸಿ ಮತ್ತು ಟಿಎ = ತಮಾಕ್ಸ್ನ ಸುತ್ತುವರಿದ ತಾಪಮಾನದಲ್ಲಿ ನಡೆಸಲಾಗುತ್ತದೆ (ಆಯ್ಕೆಮಾಡಿದ ತಾಪಮಾನದ ವ್ಯಾಪ್ತಿಯಿಂದ ವ್ಯಾಖ್ಯಾನಿಸಲಾಗಿದೆ).
ಗುಣಲಕ್ಷಣದ ಫಲಿತಾಂಶಗಳು, ವಿನ್ಯಾಸ ಸಿಮ್ಯುಲೇಶನ್ಗಳು ಮತ್ತು/ಅಥವಾ ತಾಂತ್ರಿಕ ಗುಣಲಕ್ಷಣಗಳನ್ನು ಆಧರಿಸಿದ ಮೌಲ್ಯಗಳು ಟೇಬಲ್ ಅಡಿಟಿಪ್ಪಣಿಗಳಲ್ಲಿ ವಿವರಿಸಲ್ಪಟ್ಟಿವೆ ಮತ್ತು ಉತ್ಪಾದನಾ ಪರೀಕ್ಷೆಗೆ ಒಳಗಾಗಲಿಲ್ಲ.ಗುಣಲಕ್ಷಣಗಳಿಗೆ ಸಂಬಂಧಿಸಿದಂತೆ, ಕನಿಷ್ಠ ಮತ್ತು ಗರಿಷ್ಠ ಮೌಲ್ಯಗಳು ಮಾದರಿ ಮೌಲ್ಯಮಾಪನಗಳಿಗೆ ಸಂಬಂಧಿಸಿವೆ ಮತ್ತು ಸರಾಸರಿ ಮೌಲ್ಯವನ್ನು ಪ್ರಮಾಣಿತ ವಿಚಲನ (ಸರಾಸರಿ ± 3σ) ವ್ಯಾಪ್ತಿಯೊಂದಿಗೆ ಅಥವಾ ಮೈನಸ್ನೊಂದಿಗೆ ಸೂಚಿಸುತ್ತದೆ.
ಬೇರೆ ರೀತಿಯಲ್ಲಿ ಸ್ಪಷ್ಟವಾಗಿ ಹೇಳದಿದ್ದರೆ, ಟಿಎ = 25 ° ಸಿ, ವಿಡಿಡಿ = 5 ವಿ ಯೊಂದಿಗೆ ಪ್ರಮಾಣಿತ ಡೇಟಾವನ್ನು ಸ್ಥಾಪಿಸಲಾಗುತ್ತದೆ. ಈ ಮೌಲ್ಯಗಳನ್ನು ಕೇವಲ ವಿನ್ಯಾಸ ಉಲ್ಲೇಖಗಳಾಗಿ ಒದಗಿಸಲಾಗಿದೆ ಮತ್ತು ಪರೀಕ್ಷೆಗೆ ಒಳಗಾಗುವುದಿಲ್ಲ.
ಸಂಪೂರ್ಣ ತಾಪಮಾನದ ವ್ಯಾಪ್ತಿಯಲ್ಲಿ ಪ್ರಮಾಣಿತ ಪ್ರಸರಣ ಸ್ಥಳದಿಂದ ಮಾದರಿಗಳ ಗುಂಪಿನ ಗುಣಲಕ್ಷಣಗಳ ಮೂಲಕ ಎಡಿಸಿ ಮೌಲ್ಯಗಳ ವಿಶಿಷ್ಟ ನಿಖರತೆಯನ್ನು ಸ್ಥಾಪಿಸಲಾಗಿದೆ.ಈ ಸನ್ನಿವೇಶದಲ್ಲಿ, 95% ಸಾಧನಗಳು ನಿರ್ದಿಷ್ಟಪಡಿಸಿದ ಮೌಲ್ಯದೊಳಗೆ ದೋಷವನ್ನು ಪ್ರದರ್ಶಿಸುತ್ತವೆ (ಸರಾಸರಿ ± 2σ).
ನಿರ್ದಿಷ್ಟವಾಗಿ ಸೂಚಿಸದಿದ್ದಲ್ಲಿ, ಎಲ್ಲಾ ಪ್ರಮಾಣಿತ ಗ್ರಾಫ್ಗಳನ್ನು ವಿನ್ಯಾಸ ಉಲ್ಲೇಖಗಳಾಗಿ ಮಾತ್ರ ಉದ್ದೇಶಿಸಲಾಗಿದೆ ಮತ್ತು ಪರೀಕ್ಷೆಗೆ ಒಳಪಡುವುದಿಲ್ಲ.
ನಿರ್ದಿಷ್ಟಪಡಿಸಿದ ಸಂಪೂರ್ಣ ಗರಿಷ್ಠ ರೇಟಿಂಗ್ಗಳನ್ನು ಮೀರುವುದರಿಂದ ಸಾಧನಕ್ಕೆ ಶಾಶ್ವತ ಹಾನಿಯಾಗಬಹುದು.ಈ ರೇಟಿಂಗ್ಗಳು ಸಾಧನವು ಸಹಿಸಿಕೊಳ್ಳಬಹುದಾದ ಒತ್ತಡದ ಮಿತಿಗಳನ್ನು ಮಾತ್ರ ಸೂಚಿಸುತ್ತದೆ ಮತ್ತು ಈ ಪರಿಸ್ಥಿತಿಗಳಲ್ಲಿ ಸಾಧನವು ಸರಿಯಾಗಿ ಕಾರ್ಯನಿರ್ವಹಿಸುತ್ತದೆ ಎಂದು ಸೂಚಿಸಲಾಗಿಲ್ಲ.ಗರಿಷ್ಠ ರೇಟಿಂಗ್ಗಳಲ್ಲಿನ ಅಥವಾ ಹತ್ತಿರವಿರುವ ಪರಿಸ್ಥಿತಿಗಳಿಗೆ ಒಡ್ಡಿಕೊಳ್ಳುವುದರಿಂದ ಸಾಧನದ ವಿಶ್ವಾಸಾರ್ಹತೆಯ ಮೇಲೆ ಪ್ರತಿಕೂಲ ಪರಿಣಾಮ ಬೀರುತ್ತದೆ.
ಸಾಧನದ ಮಿಷನ್ ಪ್ರೊಫೈಲ್, ಅದರ ಅಪ್ಲಿಕೇಶನ್ ಷರತ್ತುಗಳನ್ನು ವಿವರಿಸುತ್ತದೆ, ಜೆಡೆಕ್ ಜೆಸ್ಡಿ 47 ಅರ್ಹತಾ ಮಾನದಂಡಕ್ಕೆ ಅಂಟಿಕೊಳ್ಳುತ್ತದೆ, ವಿನಂತಿಯ ಮೇರೆಗೆ ವಿಸ್ತೃತ ಮಿಷನ್ ಪ್ರೊಫೈಲ್ಗಳು ಲಭ್ಯವಿದೆ.
ಪ್ರಾಥಮಿಕ ನಿಯಂತ್ರಕಕ್ಕೆ ಸ್ಥಿರತೆಯನ್ನು ಸಾಧಿಸಲು, ಸಿಎಕ್ಸ್ಟ್ ಎಂದು ಲೇಬಲ್ ಮಾಡಲಾದ ಬಾಹ್ಯ ಕೆಪಾಸಿಟರ್ ಅನ್ನು ವಿಸಿಎಪಿ ಪಿನ್ಗೆ ಸಂಪರ್ಕಿಸಬೇಕು.ಸರಣಿಯ ಇಂಡಕ್ಟನ್ಸ್ 15 NH ಗಿಂತ ಕಡಿಮೆಯಾಗಿದೆ ಎಂದು ಖಚಿತಪಡಿಸಿಕೊಳ್ಳುವುದು ಅತ್ಯಗತ್ಯ.
ಪ್ರಸ್ತುತ ಬಳಕೆಯನ್ನು ಈ ಕೆಳಗಿನ ಚಿತ್ರದಲ್ಲಿ ವಿವರಿಸಿದಂತೆ ಅಳೆಯಲಾಗುತ್ತದೆ.

ರನ್ ಮೋಡ್ನಲ್ಲಿ ಒಟ್ಟು ಪೂರೈಕೆ ಪ್ರಸ್ತುತ ಬಳಕೆ
ಎಂಸಿಯು ಅನ್ನು ಈ ಕೆಳಗಿನ ಷರತ್ತುಗಳಲ್ಲಿ ಇರಿಸಲಾಗಿದೆ:
• ಎಲ್ಲಾ ಪೆರಿಫೆರಲ್ಗಳನ್ನು ನಿಷ್ಕ್ರಿಯಗೊಳಿಸಲಾಗಿದೆ (ಗಡಿಯಾರವನ್ನು ಬಾಹ್ಯ ಗಡಿಯಾರ ಗೇಟಿಂಗ್ ರೆಜಿಸ್ಟರ್ಗಳಿಂದ ನಿಲ್ಲಿಸಲಾಗಿದೆ) ಸ್ಪಷ್ಟವಾಗಿ ಉಲ್ಲೇಖಿಸಿದರೆ ಹೊರತುಪಡಿಸಿ.
V ವಿಡಿಡಿ ಅಥವಾ ವಿಎಸ್ಎಸ್ನಲ್ಲಿ ಸ್ಥಿರ ಮೌಲ್ಯದೊಂದಿಗೆ ಇನ್ಪುಟ್ ಮೋಡ್ನಲ್ಲಿ ಎಲ್ಲಾ ಐ/ಒ ಪಿನ್ಗಳು (ಲೋಡ್ ಇಲ್ಲ)
ವಿಡಿಡಿ ಮತ್ತು ಟಿಎಗಾಗಿ ಸಾಮಾನ್ಯ ಕಾರ್ಯಾಚರಣಾ ಷರತ್ತುಗಳಿಗೆ ಒಳಪಟ್ಟಿರುತ್ತದೆ.

STM8S103F3P6 20 ಪಿನ್ಗಳನ್ನು ಹೊಂದಿದೆ, ಅದರ ಪಿನ್ ಹೆಸರುಗಳು ಮತ್ತು ಕಾರ್ಯಗಳು ಈ ಕೆಳಗಿನಂತಿವೆ:
ಪಿನ್ 1 (ಪಿಡಿ 4/ ಬೀಪ್/ ಟಿಮ್ 2_ ಸಿಎಚ್ 1/ ಯುಎಆರ್ಟಿ 1 _ಸಿಕೆ): ಪೋರ್ಟ್ ಡಿ 4
ಪಿನ್ 2 (ಪಿಡಿ 5/ ಎಐಎನ್ 5/ ಯುಎಆರ್ಟಿ 1 _ಟಿಎಕ್ಸ್): ಪೋರ್ಟ್ ಡಿ 5
ಪಿನ್ 3 (ಪಿಡಿ 6/ ಎಐಎನ್ 6/ ಯುಎಆರ್ಟಿ 1 _ಆರ್ಎಕ್ಸ್): ಪೋರ್ಟ್ ಡಿ 6
ಪಿನ್ 4 (ಎನ್ಆರ್ಎಸ್ಟಿ): ಮರುಹೊಂದಿಸಿ
ಪಿನ್ 5 (ಪಿಎ 1/ಆಸ್ಕಿನ್): ಪೋರ್ಟ್ ಎ 1
ಪಿನ್ 6 (ಪಿಎ 2/ಆಸ್ಕೌಟ್): ಪೋರ್ಟ್ ಎ 2
ಪಿನ್ 7 (ವಿಎಸ್ಎಸ್): ಡಿಜಿಟಲ್ ಗ್ರೌಂಡ್
ಪಿನ್ 8 (ವಿಸಿಎಪಿ): 1.8 ವಿ ರೆಗ್ಯುಲೇಟರ್ ಕೆಪಾಸಿಟರ್
ಪಿನ್ 9 (ವಿಡಿಡಿ): ಡಿಜಿಟಲ್ ವಿದ್ಯುತ್ ಸರಬರಾಜು
ಪಿನ್ 10 (ಪಿಎ 3/ ಟಿಮ್ 2_ ಸಿಎಚ್ 3 [ಎಸ್ಪಿಐ_ ಎನ್ಎಸ್ಎಸ್]): ಪೋರ್ಟ್ ಎ 3
ಪಿನ್ 11 (ಪಿಬಿ 5/ ಐ 2 ಸಿ_ ಎಸ್ಡಿಎ [ಟಿಮ್ 1_ ಬಿಕೆಎನ್]): ಪೋರ್ಟ್ ಬಿ 5
ಪಿನ್ 12 (ಪಿಬಿ 4/ ಐ 2 ಸಿ_ ಎಸ್ಸಿಎಲ್): ಪೋರ್ಟ್ ಬಿ 4
ಪಿನ್ 13 (ಪಿಸಿ 3/ ಟಿಐಎಂ 1_ಸಿಎಚ್ 3 [ಟಿಎಲ್ಐ] [ಟಿಮ್ 1_ ಸಿಎಚ್ 1 ಎನ್]): ಪೋರ್ಟ್ ಸಿ 3
ಪಿನ್ 14 (ಪಿಸಿ 4/ ಸಿಎಲ್ಕೆ_ಸಿಸಿಒ/ ಟಿಮ್ 1_ ಸಿಎಚ್ 4/ ಎಐಎನ್ 2/ [ಟಿಮ್ 1_ ಸಿಎಚ್ 2 ಎನ್]): ಪೋರ್ಟ್ ಸಿ 4
ಪಿನ್ 15 (ಪಿಸಿ 5/ ಎಸ್ಪಿಐ_ಸ್ಕ್ [ಟಿಮ್ 2_ ಸಿಎಚ್ 1]): ಪೋರ್ಟ್ ಸಿ 5
ಪಿನ್ 16 (ಪಿಸಿ 6/ ಎಸ್ಪಿಐ_ಮೋಸಿ [ಟಿಮ್ 1_ ಸಿಎಚ್ 1]): ಪೋರ್ಟ್ ಸಿ 6
ಪಿನ್ 17 (ಪಿಸಿ 7/ ಎಸ್ಪಿಐ_ಮಿಸೊ [ಟಿಮ್ 1_ ಸಿಎಚ್ 2]): ಪೋರ್ಟ್ ಸಿ 7
ಪಿನ್ 18 (ಪಿಡಿ 1/ ಈಜು): ಪೋರ್ಟ್ ಡಿ 1
ಪಿನ್ 19 (ಪಿಡಿ 2/ ಎಐಎನ್ 3/ [ಟಿಮ್ 2_ ಸಿಎಚ್ 3]): ಪೋರ್ಟ್ ಡಿ 2
ಪಿನ್ 20 (ಪಿಡಿ 3/ ಎಐಎನ್ 4/ ಟಿಐಎಂ 2_ ಸಿಎಚ್ 2/ ಎಡಿಸಿ_ ಇಟಿಆರ್): ಪೋರ್ಟ್ ಡಿ 3
ಮೇಲಿನ ಚಿತ್ರದಲ್ಲಿ ತೋರಿಸಿರುವಂತೆ, ಎಸ್ಟಿಎಂ 8 ಎಸ್ 103 ಎಫ್ 3 ಪಿ 6 ಚಿಪ್ 16 ಐ/ಒ ಪಿನ್ಗಳನ್ನು ಹೊಂದಿದೆ, ಇದನ್ನು ಜಿಪಿಐಒ, ಪೆರಿಫೆರಲ್ ಇಂಟರ್ಫೇಸ್ಗಳು, ಎಡಿಸಿ ಮುಂತಾದ ವಿವಿಧ ಉದ್ದೇಶಗಳಿಗಾಗಿ ಬಳಸಬಹುದು.ಬಾಹ್ಯ ಸಂಕೇತಗಳನ್ನು ಓದಲು ಇನ್ಪುಟ್ ಪಿನ್ಗಳಾಗಿ ಅಥವಾ ಬಾಹ್ಯ ಸಾಧನಗಳಿಗೆ ಸಂಕೇತಗಳನ್ನು ಕಳುಹಿಸಲು output ಟ್ಪುಟ್ ಪಿನ್ಗಳಾಗಿ ಬಳಸಲಾಗುತ್ತದೆ.ಹೆಚ್ಚುವರಿಯಾಗಿ, ಪ್ರತಿ ಐ/ಒ ಪಿನ್ ಅನ್ನು ಸ್ವತಂತ್ರವಾಗಿ ಅಡ್ಡಿಪಡಿಸುವ ವೆಕ್ಟರ್ ಅನ್ನು ನಿಗದಿಪಡಿಸಬಹುದು.
• ಆಟೊಮೇಷನ್ ಸಿಸ್ಟಮ್ಸ್: ವಿದ್ಯುತ್ ಪರದೆಗಳು, ಪ್ರವೇಶ ನಿಯಂತ್ರಣ ವ್ಯವಸ್ಥೆಗಳು, ತಾಪಮಾನ ನಿಯಂತ್ರಣ ಮತ್ತು ಬೆಳಕಿನ ನಿಯಂತ್ರಣದಂತಹ ಯಾಂತ್ರೀಕೃತಗೊಂಡ ವ್ಯವಸ್ಥೆಗಳಲ್ಲಿ ಈ ಮೈಕ್ರೊಕಂಟ್ರೋಲರ್ ಅನ್ನು ಬಳಸಬಹುದು.
• ಐಒಟಿ (ಇಂಟರ್ನೆಟ್ ಆಫ್ ಥಿಂಗ್ಸ್) ಅಪ್ಲಿಕೇಶನ್: ನಾವು ಐಒಟಿ ಸಾಧನಗಳನ್ನು ಅಭಿವೃದ್ಧಿಪಡಿಸಬೇಕಾದರೆ, ವಿವಿಧ ಸಂವೇದಕಗಳು ಮತ್ತು ಸಂವಹನ ಮಾಡ್ಯೂಲ್ಗಳನ್ನು ಸಂಪರ್ಕಿಸಲು ಮತ್ತು ನಿಯಂತ್ರಿಸಲು ಐಒಟಿ ನೋಡ್ಗಳಿಗೆ ನಿಯಂತ್ರಕವಾಗಿ ಇದನ್ನು ಬಳಸಬಹುದು.
• ವೈಯಕ್ತಿಕ ಎಲೆಕ್ಟ್ರಾನಿಕ್ ಸಾಧನಗಳು: ಡಿಜಿಟಲ್ ಕ್ಯಾಮೆರಾಗಳು, ಎಂಪಿ 3 ಮತ್ತು ಎಂಪಿ 4 ಪ್ಲೇಯರ್ಗಳು, ಎಲೆಕ್ಟ್ರಾನಿಕ್ ಗೇಮ್ ಕನ್ಸೋಲ್ಗಳಲ್ಲಿ ಬಳಸಲಾಗುತ್ತದೆ.
• ಎಲೆಕ್ಟ್ರಾನಿಕ್ ಉಪಕರಣಗಳು: ವಿವಿಧ ಎಲೆಕ್ಟ್ರಾನಿಕ್ ಉಪಕರಣಗಳನ್ನು ಅಭಿವೃದ್ಧಿಪಡಿಸಲು ಬಳಸಲಾಗುತ್ತದೆ
, ಎಲೆಕ್ಟ್ರಾನಿಕ್ ಆಟಿಕೆಗಳು, ರಿಮೋಟ್ ಕಂಟ್ರೋಲ್ಸ್, ಮಿನಿ ಕ್ಯಾಲ್ಕುಲೇಟರ್ಗಳು, ಮುಂತಾದವು.
• ಕೈಗಾರಿಕಾ ಕ್ಷೇತ್ರ: ಪಿಎಲ್ಸಿ, ಕೈಗಾರಿಕಾ ನಿಯಂತ್ರಕಗಳು, ಪ್ರಕ್ರಿಯೆ ಯಾಂತ್ರೀಕೃತಗೊಂಡ ಮತ್ತು ಹಡಗು ಸ್ವಯಂಚಾಲಿತ ನಿಯಂತ್ರಣ ಸಾಧನಗಳಲ್ಲಿ ಬಳಸಲಾಗುತ್ತದೆ.
• ಡೇಟಾ ಸ್ವಾಧೀನ ಮತ್ತು ಸಂವೇದಕ ಇಂಟರ್ಫೇಸ್: ಪರಿಸರ ಪರಿಸ್ಥಿತಿಗಳನ್ನು ಮೇಲ್ವಿಚಾರಣೆ ಮಾಡಲು ಮತ್ತು ಡೇಟಾವನ್ನು ಸಂಗ್ರಹಿಸಲು ಅಥವಾ ಬೆಳಕಿನ ಸಂವೇದಕಗಳು, ತಾಪಮಾನ ಸಂವೇದಕಗಳು ಮತ್ತು ಆರ್ದ್ರತೆ ಸಂವೇದಕಗಳಂತಹ ವಿವಿಧ ಸಂವೇದಕಗಳನ್ನು ಸಂಪರ್ಕಿಸಲು ಬಳಸಲಾಗುತ್ತದೆ.
• ಎಂಬೆಡೆಡ್ ಕಂಟ್ರೋಲ್ ಸಿಸ್ಟಮ್: ಗೃಹೋಪಯೋಗಿ ವಸ್ತುಗಳು, ಕೈಗಾರಿಕಾ ಉಪಕರಣಗಳು, ವಿದ್ಯುತ್ ಉಪಕರಣಗಳು ಮುಂತಾದ ವಿವಿಧ ಎಂಬೆಡೆಡ್ ನಿಯಂತ್ರಣ ವ್ಯವಸ್ಥೆಗಳನ್ನು ವಿನ್ಯಾಸಗೊಳಿಸಲು ಬಳಸಲಾಗುತ್ತದೆ. ಇದರ 8-ಬಿಟ್ ಸಂಸ್ಕರಣಾ ಶಕ್ತಿಯು ಅನೇಕ ಸರಳ ನಿಯಂತ್ರಣ ಕಾರ್ಯಗಳಿಗೆ ಸಾಕಾಗುತ್ತದೆ.
STM8S103F3P6 ಒಂದು ಮೈಕ್ರೊಕಂಟ್ರೋಲರ್ ಚಿಪ್ ಆಗಿದ್ದು, ಇದು STMICROELECRONICS ಅಭಿವೃದ್ಧಿಪಡಿಸಿದೆ.ಇದು 8-ಬಿಟ್ ಮೈಕ್ರೊಕಂಟ್ರೋಲರ್ಗಳ ಎಸ್ಟಿಎಂ 8 ಕುಟುಂಬಕ್ಕೆ ಸೇರಿದೆ ಮತ್ತು ಇದನ್ನು ವಿವಿಧ ಎಂಬೆಡೆಡ್ ವ್ಯವಸ್ಥೆಗಳು ಮತ್ತು ಐಒಟಿ ಅಪ್ಲಿಕೇಶನ್ಗಳಲ್ಲಿ ವ್ಯಾಪಕವಾಗಿ ಬಳಸಲಾಗುತ್ತದೆ.
STM8S103F3P6 ಮೈಕ್ರೊಕಂಟ್ರೋಲರ್ ಯುನಿಟ್ 640 ಬಿಟ್ ರಾಮ್, 10-ಬಿಟ್ 5-ಚಾನೆಲ್ಗಳು ಎಡಿಸಿ, 1 ಕೆಬಿ RAM ಮತ್ತು 8 ಕೆಬಿ ಪ್ರೋಗ್ರಾಂ ಮೆಮೊರಿ ಗಾತ್ರವನ್ನು ಹೊಂದಿದೆ.
ನಾವು STM8S103F3P6 ಅನ್ನು MSP430G2353, PIC16LF18444T, STM8S103F3P3, STM8S103F3P3TR ಅಥವಾ STM8S103F3P6TR ನೊಂದಿಗೆ ಬದಲಾಯಿಸಬಹುದು.
ಹೌದು, STM8S103F3P6 ಅನ್ನು ಕಡಿಮೆ-ಶಕ್ತಿಯ ವೈಶಿಷ್ಟ್ಯಗಳೊಂದಿಗೆ ವಿನ್ಯಾಸಗೊಳಿಸಲಾಗಿದೆ ಮತ್ತು ಶಕ್ತಿಯ ದಕ್ಷತೆ ಅಗತ್ಯವಿರುವ ಬ್ಯಾಟರಿ-ಚಾಲಿತ ಅಥವಾ ಕಡಿಮೆ-ಶಕ್ತಿಯ ಅನ್ವಯಿಕೆಗಳಲ್ಲಿ ಇದನ್ನು ಬಳಸಬಹುದು.
STM8S103F3P6 ನ ಕೆಲವು ಪ್ರಮುಖ ಲಕ್ಷಣಗಳು ಜಿಪಿಐಒ (ಸಾಮಾನ್ಯ ಉದ್ದೇಶದ ಇನ್ಪುಟ್/output ಟ್ಪುಟ್) ಪಿನ್ಗಳು, ಯುಎಆರ್ಟಿ (ಯುನಿವರ್ಸಲ್ ಅಸಮಕಾಲಿಕ ರಿಸೀವರ್/ಟ್ರಾನ್ಸ್ಮಿಟರ್) ಸಂವಹನ, ಐ 2 ಸಿ (ಇಂಟರ್-ಇಂಟಿಗ್ರೊಟೆಡ್ ಸರ್ಕ್ಯೂಟ್) ಸಂವಹನ, ಎಸ್ಪಿಐ (ಸೀರಿಯಲ್ ಪೆರಿಫೆರಲ್ ಇಂಟರ್ಫೇಸ್) ಸಂವಹನ, ಟೈಮರ್ಸ್ ಮತ್ತು ಹೆಚ್ಚಿನವುಗಳನ್ನು ಒಳಗೊಂಡಿವೆ.
ನಮ್ಮ ಬಗ್ಗೆ
ಪ್ರತಿ ಬಾರಿಯೂ ಗ್ರಾಹಕರ ತೃಪ್ತಿ.ಪರಸ್ಪರ ನಂಬಿಕೆ ಮತ್ತು ಸಾಮಾನ್ಯ ಆಸಕ್ತಿಗಳು.
ಲಿಥಿಯಂ ನಾಣ್ಯ ಕೋಶ CR2354 ನ ತಾಂತ್ರಿಕ ವಿಶೇಷಣಗಳು
2024-08-02
ATMEGA328-PU ಮೈಕ್ರೊಕಂಟ್ರೋಲರ್ಗೆ ಸಮಗ್ರ ಮಾರ್ಗದರ್ಶಿ
2024-08-02
ಇಮೇಲ್: Info@ariat-tech.comಎಚ್ಕೆ ದೂರವಾಣಿ: +852 30501966ಸೇರಿಸಿ: ಆರ್ಎಂ 2703 27 ಎಫ್ ಹೋ ಕಿಂಗ್ ಕಾಮ್ ಸೆಂಟರ್ 2-16,
ಫಾ ಯುಯೆನ್ ಸೇಂಟ್ ಮೊಂಗ್ಕಾಕ್ ಕೌಲೂನ್, ಹಾಂಗ್ ಕಾಂಗ್.